
本品为动物的皮、骨、腱与韧带中胶原蛋白不完全酸水解、碱水解或酶降解后纯化得到的制品,或为上述三种不同明胶制品的混合物。
【性状】本品为微黄色至黄色、透明或半透明微带光泽的薄片或粉粒;浸在水中时会膨胀变软,能吸收其自身质量5~10倍的水。
本品在热水中易溶,在醋酸或甘油与水的热混合液中溶解,在乙醇中不溶。
【鉴别】(1)取本品0.5g,加水50ml,加热使溶解,取溶液5ml,加重铬酸钾试液-稀盐酸(4∶1)的混合液数滴,即产生橘黄色絮状沉淀。
(2)取鉴别(1)项下剩余的溶液1ml,加水100ml,摇匀后,加鞣酸试液数滴,即发生浑浊。
(3)取本品,加钠石灰后,加热,即发生氨臭。
【检查】凝冻强度(仅限硬胶囊) 取本品两份各7.50g,分别置内径为59mm±1mm的冻力瓶中,加水105g,用橡胶塞密塞,在室温下放置1~4小时,使供试品充分吸水膨胀,在65℃±2℃的水浴中搅拌加热15分钟使溶散均匀,取冻力瓶置磁力搅拌器上,打开瓶塞,加磁力搅拌子,再盖上橡胶塞,磁力搅拌5分钟,使溶液分散均匀,并使凝结在冻力瓶内壁的水混合到溶液中,制成6.67%的供试胶液。在室温条件放置,使瓶内的胶液温度降至约30℃后,再将冻力瓶放入已调节水平的恒温水浴箱中,在10℃±0.1℃中保温16~18小时后,迅速取出冻力瓶,擦干外壁水珠,打开冻力瓶的橡胶塞,将冻力瓶放置在凝胶强度测定仪的测试平台上,使冻力瓶的中心在探头正下方,采用直径为12.7mm±0.1mm且底部边缘锐利的圆柱型探头,以每秒0.5mm的下行速度,测定探头下压至凝胶表面下凹4mm处的凝冻强度,取两份供试品测定结果的平均值,即得。凝冻强度应在标示值的±20%以内,两份供试品测量值的Γ差值不得过10Bloom g。
酸碱度 取本品1.0g,加水100ml,加盖,放置1~4小时后,在65℃±2℃的水浴中加热15分钟,充分搅拌使供试品溶散均匀,放冷至35℃,依法测定(通则0631),pH值应为4.0~7.2。
透光率 取本品7.5g,加水105g,加盖,放置1~4小时,在65℃±2℃的水浴中加热15分钟,充分搅拌使供试品溶散均匀,制成6.67%的供试胶液,冷却至45℃,照紫外-可见分光光度法(通则0401)分别在450nm和620nm的波长处测定透光率,分别不得低于50%和70%。
电导率 取本品1.0g,加水99g,加盖,放置1~4小时后,在65℃±2℃的水浴中加热15分钟,充分搅拌使供试品溶散均匀,制成1.0%的胶液,作为供试品溶液,另取水100ml作为空白溶液,将供试品溶液与空白溶液置于30℃±1℃的水浴中保温1小时后,用电导率仪测定,以铂黑电极作为测定电极,先用空白溶液冲洗电极3次后,测定空白溶液的电导率,其电导率值应不得过5.0μS/cm。取出电极,再用供试品溶液冲洗电极3次后,测定供试品溶液的电导率,应不得过0.5mS/cm。
亚硫酸盐(以SO2计) 取本品20g,置长颈圆底烧瓶中,加水50ml,放置使溶胀后,加稀硫酸50ml,即时连接冷凝管,用水蒸气蒸馏,馏液导入过氧化氢试液(对甲基红-亚甲蓝混合指示液显中性)20ml中,至馏出液达80ml,停止蒸馏;馏出液中加甲基红-亚甲蓝混合指示液数滴,用氢氧化钠滴定液(0.02mol/L)滴定至溶液显草绿色,并将滴定的结果用空白试验校正,每1ml氢氧化钠滴定液(0.02mol/L)相当于0.64mg的亚硫酸盐(以SO2计),消耗氢氧化钠滴定液(0.02mol/L)不得过1.6ml(0.005%)。
过氧化物 取本品10g,置250ml具塞烧瓶中,加水140ml,放置2小时,在50℃的水浴中加热迅速溶解,立即冷却,加硫酸溶液(1→5)6ml,碘化钾0.2g,1%淀粉溶液2ml与0.5%钼酸铵溶液1ml,密塞,摇匀,置暗处放置10分钟,溶液不得显蓝色。另取水140ml,同法操作,溶液不得显蓝色。
干燥失重 取本品,在105℃干燥15小时,减失重量不得过15.0%(通则0831)。
炽灼残渣 取本品1.0g,依法检查(通则0841),遗留残渣不得过2.0%。
铬 取本品0.5g,精密称定,置聚四氟乙烯消解罐内,加硝酸5~10ml,混匀,100℃预消解2小时后,盖好内盖,旋紧外套,置适宜的微波消解炉内,进行消解。消解完全后,取消解内罐置电热板上缓缓加热至红棕色蒸气挥尽并近干,用2%硝酸溶液转入50ml聚四氟乙烯量瓶中,并稀释至刻度,摇匀,作为供试品溶液;同法制备空白溶液;另取铬单元素标准溶液,用2%硝酸溶液稀释制成每1ml中含铬1.0μg的铬标准贮备液,临用时,分别精密量取适量,用2%硝酸溶液制成每1ml含铬0~80ng的对照品溶液。取供试品溶液与对照品溶液,以石墨炉为原子化器,照原子吸收分光光度法(通则0406Γ法),在357.9nm的波长处测定,或照电感耦合等离子体质谱法(通则0412Γ法)测定。计算,即得,含铬不得过百万分之二。如需要仲裁时,以电感耦合等离子体质谱法(通则0412Γ法)的测定结果为准。
重金属 取炽灼残渣项下遗留的残渣,依法检查(通则0821第二法),含重金属不得过百万分之二十。
砷盐 取本品2.0g,加淀粉0.5g与氢氧化钙1.0g,加水少量,搅拌均匀,干燥后,先用小火炽灼使炭化,再在500~600℃炽灼使灰化完全,放冷,加盐酸8ml与水20ml溶解后,依法检查(通则0822Γ法),应符合规定(0.0001%)。
微生物限度 取本品,依法检查(通则1105与通则1106),每1g供试品中需氧菌总数不得过103cfu,霉菌和酵母总菌数不得过102cfu,不得检出大肠埃希菌;每10g供试品中不得检岀沙门菌。
【类别】药用辅料,用于硬胶囊等。
【贮藏】密封,在干燥处保存。
【标示】①应标明使用的抑菌剂名称或灭菌方式。②应标明本品凝冻强度的标示值及运动黏度(按所附测定方法之一测定)的标示值与范围。
黏度测定法1 取本品4.50g,置已称定重量的100ml烧杯中,加温水20ml,置60℃水浴中搅拌使溶化;取出烧杯,擦干外壁,加水使胶液总重量达到下列计算式的重量(含干燥品浓度15%),在40℃±0.1℃时,照黏度测定法(通则0633Γ法,毛细管内径为2.0mm)测定。

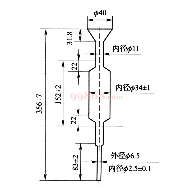
黏度测定法2 取本品7.5g,置锥型瓶中,加水105g,加盖,室温放置1~4小时,在65℃±2℃的水浴中加热15分钟,充分搅拌使供试品溶散均匀制成6.67%的胶液,冷却至61℃;开启恒温器,使流过黏度计夹套中水的温度为60℃±0.1℃,用手指顶住黏度计毛细管末端,同时避免空气和泡沫进入,迅速将胶液倒入黏度计里,直到超过上刻度线2~3cm。将温度计插入黏度计内,当温度稳定在60℃±0.1℃时,将手指移开毛细管末端,用秒表准确记录液面自上刻度线下降至下刻度线的流出时间,精确到0.1秒。黏度计毛细管尺寸见下图(单位为mm)。
按下式计算黏度:

式中 η为供试品的勃氏黏度,mPa・s;
1.005为6.67%明胶溶液在60℃时的密度,g/ml;
t为流过时间,s;
A,B为黏度计常数,通过校正测定。
计算结果精确到小数点后一位。重复测定两次结果的Γ差值不得过0.1mPa・s。


